Kompedium domofonowe

Domofony cyfrowe to nowocześniejsze wersje urządzeń oparte na technice mikroprocesorowej. Posiadają kasety bramowe z cyfrową klawiaturą za pomocą której wybierany jest numer lokalu, lub wprowadzany np. kod powodujący odblokowanie bramy. Kasety posiadają także wyświetlacz cyfrowy na którym pokazuje się numer wybranego lokalu, a także mogą być dodatkowe informacje jak np: nazwisko mieszkańca/nazwa lokalu. Wyświetlacz służy także do obsługi serwisowej i progrmowania systemu. Domofony cyfrowe posiadają bardzo prostą instalację składającą się tylko z dwóch żył biegnących kolejno do każdego unifonu zamontowanego w instalacji. Dużą zaletą tego typu urządzeń jest kaseta z cyfrową klawiaturą, co jest szczególnie istotne przy dużej liczbie lokali (unikamy konieczności montowania dużych kaset z dużą liczbą wizytówek i przycisków). Dodatkowe zalety to prosta instalacja (na przewodzie dwużyłowym) oraz dodatkowe funkcje jakie uzyskują użytkownicy, między innymi możliwość odblokowania zamka przy pomocy indywidualnego kodu z kasety bramowej.

Domofon przeznaczony jest do budynków jednorodzinnych, wielorodzinnych, firm i instytucji. Może być stosowany w blokach mieszkalnych, kamienicach, ogrodzonych osiedlach domów jednorodzinnych i wielorodzinnych. W ogrodzonych osiedlach można wyróżnić dwa rodzaje wejść: wejścia główne i wejścia podrzędne. Wejścia główne to na przykład furtki i bramy prowadzące na ogrodzony teren, wejścia podrzędne to najczęściej wejścia do klatek schodowych budynków. Korzystając z domofonów przy wejściach głównych możemy nawiązać połączenie z dowolnym lokalem w dowolnej klatce schodowej. Korzystając z domofonu przy wejściu podrzędnym (wejściu na klatkę) możemy nawiązać połączenie wyłącznie z lokalami znajdującymi się w w danej klatce.

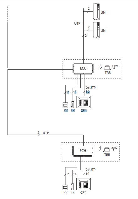
Poniżej przykładowe schematy instalacji audio i wideo wykonane z wykorzystaniem urządzeń Laskomex.

 

Array ( [0] => Array ( [id] => 2043 [pageID] => 1745 [parent_t2t] => 1931 [rank] => 1 [templatesID] => 1 [url] => domofony-kompedium [enabled] => 1 [showNested] => 1 [lockedCMS] => 0 ) [1] => Array ( [id] => 1931 [pageID] => 1662 [parent_t2t] => 1 [rank] => 2 [templatesID] => 77 [url] => [enabled] => 1 [showNested] => 1 [lockedCMS] => 1 ) ) sections